TPL. Мощнейший теплообменный блок для сред с высокой и средней степенью вязкости
Серия TPL разработана специально для случаев применения в машино- и приборостроении (например, охлаждение гидравлических и моторных масел). Объем проточных каналов теплообменников данной серии до 80 % больше объема каналов аппаратов с классическими теплообменными пластинами. Благодаря специальным турбулентным пластинам, диагональному потоку сред и максимально широкому диаметру присоединений достигается огромная мощность теплопередачи.
По сравнению со стандартными теплообменниками при использовании сред с высокой степенью вязкости размеры аппаратов могут быть значительно меньше.
Среды:
- масло / вода
- вода / вода
- газ / жидкость (конденсация)
- другие среды по запросу
Применение:
(нагревание, охлаждение, конденсация) отбор и регенерация тепла в машиностроении, процессной и холодильной технике, а также в системах домашнего теплоснабжения, например:
- охлаждение смазочных масел
- теплоцентрали
- сепарация тепла конденсирующих потоков
Рабочие условия:
- макс. рабочее давление 30 бар
- рабочая температура
- мин. -160 .С
- макс. +200 .С
- тепловая мощность от 2,0 до 2000 кВт
|
|
Универсальный, применим для различных сред. Однако, паяные теплообменники не рекомендуется применять для следующих сред: морская вода, аммиак, силиконовые масла и среды, содержащие высокий процент хлоридов (исключение: серия NPL). |
![]() |
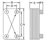
1: теплая сторона ВХОД 2: холодная сторона ВЫХОД 3: теплая сторона ВЫХОД 4: холодная сторона ВХОД |

N- количество пластин

